بلوكات الإنتاج
بلوكات الإنتاج
- مأرب – الجوف قطعة (18)
- بلوك داميس (S1)
- بلوك العقلة (S2)
- مجمع شرق السر (53)
- شرق الحجر قطعة (51)
- جنوب هواريم بلوك (43)
- هواريم بلوك (32)
- قطعة المسيلة (14)
- قطع شرق شبوة (10)
- مالك بلوك (9)
- بلوك الجنة (5)
- بلوك عياض (4)
مأرب – الجوف قطعة (18)
مأرب – الجوف قطعة (18)

- مأرب – الجوف قطعة (18) تقع في الجزء الغربي من اليمن في حوض السبعتين (مأرب - الجوف) بمساحة (8,479) كم2.
- ال مأرب – الجوف تم منح المنطقة (أول منطقة في اليمن) لشركة يمن هانت أويل في يناير 1982. وبعد انتهاء اتفاقية مشاركة الإنتاج الخاصة بهذا القطاع مع المشغل السابق، أصبحت شركة أكثر أمانًا لعمليات الاستكشاف والإنتاج المملوكة للدولة في 15 نوفمبر 2005 هي المشغل الوطني للمنطقة 18.
- ال مأرب – الجوف البلوك هي أكبر البلوكات المنتجة للنفط والغاز في اليمن.
- بدأت أنشطة الاستكشاف في منطقة مأرب-الجوف بالاستحواذ على 1845 كيلومترًا من الخطوط الزلزالية ثنائية الأبعاد في أواخر عام 1982.
- وتم حفر بئر الألف-1 بعمق إجمالي قدره 4182 متراً في الطابق السفلي الجرانيتي. وفي الاختبار، تدفق البئر 4,162 برميلًا في اليوم من نفط 39.8 درجة API بين 1,752-1,757 مترًا و3,669 برميلًا في اليوم من زيت 44 درجة API بين 1,737-1,745 مترًا. كما أثبت البئر وجود كميات كبيرة من الغاز المصاحب.
- ال حاجز تم إعلانه تجارياً في ديسمبر 1985 وبدأ المشغل خطة التطوير من أجل جلب حقل "الألف" إلى الإنتاج بحلول عام 1986.
- وكان البئر الأول "Alif#1" ينتج النفط الخفيف بمتوسط 8000 برميل يوميا. وبعد اكتشاف نفط ألف في منطقة مأرب-الجوف (18)، استمر التنقيب عن النفط مما أدى إلى اكتشاف حقول أخرى وصلت إلى أكثر من 21 حقلاً للنفط والغاز في المنطقة (18)، منها أسعد الكامل وأزال و. وحقول ريدان هي أكبر حقول النفط. أكبر حقول الغاز في المنطقة هي حقل غاز الرجاء غير المصاحب، وحقول الغاز المصاحب ألف، وأسعد الكامل، وآزال.
- وفي عام 2006، نفذت شركة صافر (المشغل الحالي) أول حملة حفر استكشافية لها في المنطقة. اكتشف بئر وادي صباح-1 النفط والغاز إلى الجنوب الغربي من حقل الألف. كما تم الإبلاغ عن اكتشاف بئر ثان بالقرب من حقل جبل نقم.
- خلال الفترة 2009-2010 استحوذت شركة صافر لعمليات الاستكشاف والإنتاج على 2,926 كم2 من البيانات الزلزالية ثلاثية الأبعاد، 2006-2014 حفر 26 بئر استكشاف وتقييم. في مايو 2009، واجه المشغل غازًا عالي الضغط في الطابق السفلي من حقل الألف. وكان بئر "ألف بدروم-1" معلقًا في انتظار مزيد من التقييم.


- 95% من النفط والغاز المكتشف في القطاع (18) قادم من تكوين اليف الجوراسي. استمر التنقيب عن النفط مع اقتراح اكتشاف HC من الطابق السفلي المكسور والتكوينات الثانوية الأخرى.
- عادةً ما تكون الهياكل الميدانية في منطقة العقد عبارة عن عمليات إغلاق انحدارية معطوبة تم تشكيلها استجابةً للامتداد الإقليمي والنشاط الملحي ذي الصلة. أنواع المصائد الأساسية عبارة عن بلوكات صدع مائلة مغطاة برمال الخزان الجوراسي المتأخر. تطورت العديد من الأفخاخ في أواخر العصر الجوراسي نتيجة للإمالة والتمدد اللطيف نحو الشرق. أنتج هذا سلسلة من الصدوع الليسترية ذات الزاوية المنخفضة، مع آفاق انفصال ضحلة في المتبخرات الجوراسية. تم اكتشاف غالبية الاكتشافات بين عامي 1984 و 1995.
- الإنتاج في مأرب – بلوك الجوف بلغت ذروتها عند 197.600 برميل يوميا في عام 1991.

- ال مأرب – الجوف تحتوي البلوك على أكثر من 21 حقلاً للنفط والغاز.
- ال الخزانات الرئيسية في البلوك:
- أليف تشكيل الرمال / الحجر الرملي،
- مرئي تشكيل الرمال,
- شقراء ولام وميم خزان التكوينات (غير تجاري بعد)،
- الطابق السفلي المكسور الخزان (شبه تجاري حتى الآن).
- العمل الزلزالي الرئيسي:
- هانت أويل 2D
- هانت أويل 3D
- صافر (SEPOC) 3D
- تم حفر أكثر من 710 بئراً في البلوك.
- بلوك (18) مرافق:
- تتم معالجة النفط من خلال منشأتين رئيسيتين في منطقة مأرب؛ هذه المرافق هي وحدة الإنتاج المركزية (CPU) ووحدة إنتاج كامل (KPU).

- تتميز الزيوت الموجودة في حقول القطاع (18) بشكل عام بكثافة عالية تتراوح بين (35-48° API). الزيوت مشبعة بالغاز وحلوة بشكل عام، مع محتوى كبريت أقل من 0.1%.

- في عام 1986، تم الانتهاء من إنشاء خط أنابيب (بطول 438 كم، وقطر 24-26 بوصة، وسعة قصوى تبلغ 300.000 برميل في اليوم) يسمح بنقل النفط الخام من حقول مأرب - الجوف إلى محطة تصدير رأس عيسى (الحد الأقصى للتخزين 3.000.000 برميل). على البحر الأحمر.
- كما تم استخدام خط أنابيب مأرب الرئيسي إلى رأس عيسى من قبل بلوكات الجنة (5 وS1 وS2) القريبة لنقل النفط الخام من مناطق مأرب/شبوة إلى محطة تصدير رأس عيسى.
- تقوم البلوك بتزويد شركة مصفاة مأرب بـ 10.000 برميل يوميًا.
بلوك داميس (S1)
داميس بلوك داميس (S1)

- بلوك داميس (S1) تقع في حوض السبعتين (مأرب – شبوة) بمساحة (1,156) كم2. وتقع غرب حقول الجنة المنتجة قطعة 5 وشرق حقول عياد قطعة 4 المنتجة.
- تمت منح البلوك (S1) لشركة TransGlobe Energy في 28 يونيوذ 1998. شركة فينتاج بتروليوم اليمن (VPYI)، حصلت على حصة تبلغ 75%، مقابل تمويل 100% من المرحلة الأولى للاستكشاف لشركة TransGlobe. تم نقل تشغيل البلوك لاحقًا إلى شركة Vintage في أكتوبر 1998. وفي سبتمبر 2005، أعلنت شركة Occidental عن استحواذها على شركة Vintage Petroleum. تم الانتهاء من عملية الاستحواذ في 30 يناير 2006 مما جعل شركة أوكسيدنتال، من خلال شركتها التابعة المملوكة بالكامل، هي المشغل لمنطقة داميس.

- في مايو 1993، أثناء فترة عمل شل كمشغل، اكتشفت نفطًا بدرجة حرارة 39° API في تكوين لام مع بئر ناجية-1.
- بئر النعيم-1 هو أول اكتشاف قامت به شركة Vintage Petroleum في المنطقة S1 في فبراير ومايو 2000. وتدفق المكمن الغاز/المكثفات من تكوينات الألف (بلغ مستوى الألف الرئيسي 519 مليار برميل يوميًا و19.9 مليون قدم مكعب يوميًا، بينما بلغ معدل الألف السفلي 514 مليار برميل يوميًا و19.7 مليون برميل يوميًا). mmcfpd و Alif Dolomites ذاقت 243 bcpd و 7.7 mmcfpd).
- وفي مايو ويونيو 2000، اكتشف الهرمل-1 النفط. النفط الذي تم اختباره في الآبار من تكوينات قشن وصر ونايفه العليا (أزال) بمعدلات نفط تتراوح بين 400 إلى 500 برميل يومياً).
- تم اكتشاف النفط والغاز في بئر ناجية 2 بواسطة شركة Vintage Petroleum في المنطقة S1 في نوفمبر وديسمبر 2002. وكان الخزان يتدفق النفط والغاز من تكوين لام (تذوق لام 1091 برميل نفط في اليوم و45.6 درجة API و543 مليون قدم مكعب في اليوم).
- في نوفمبر 2006، اكتشف عسيلان-2 النفط في تكوينات لام (تم اختبار لام بمعدلات نفط تبلغ 1307 برميل نفط في اليوم و615 مليون قدم مكعب في اليوم).
- يمتد البلوك من الحواف الغربية لحوض صدع مأرب-شبوة، باتجاه الشمال الشرقي، عبر سلسلة من نصف الخطاف المائل وامتداد نهر الألف، إلى أعمق أجزاء نظام الخطاف. نوع المصيدة الناجية عبارة عن مزيج من الطبقات الهيكلية مع محرك غطاء الغاز.
- في أكتوبر 2003، تم إعلان التجارية في قطعة الدميس (S1).

- تم أول إنتاج للنفط من المنطقة في 28 مارس 2004.
- الإنتاج في بلوك داميس وبلغت ذروتها عند 11.731 برميل يوميا في عام 2008.
- تحتوي البلوك على 4 حقول.
- الخزانات الرئيسية في البلوك:
- تشكيل القشن الفتاتية/الكربونات،
- كربونات تشكيل سار،
- كربونات تشكيل النايفة،
- أليف تشكيل كلاستيكس,
- لام تشكيل الفتات,
- خزان الطابق السفلي مكسور.
- الأعمال الزلزالية:
- شل 2D
- شل 3D
- خمر / غربي 2D
- خمر / غربي 3D
- تم حفر 50 بئراً في المنطقة.
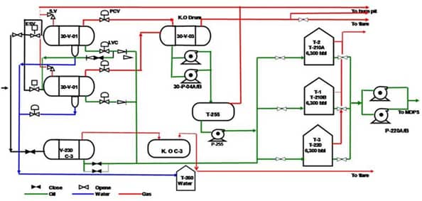
- بلوك (S1) مرافق:
- قدرات CPF:
- انفصال
- فاصل LP: 15 ميجا برميل في اليوم، 5 ميجا برميل في اليوم، 6 مليون قدم مكعب في اليوم
- فاصل HP: 15 ميجا برميل في اليوم، 7.5 ميجا برميل في اليوم، 30 مليون قدم مكعب في اليوم
- ضغط
- ضغط LP: 6 مم قدم مكعب في اليوم إلى 300 رطل لكل بوصة مربعة
- ضغط HP: 28 مم قدم مكعب في اليوم إلى 1800 رطل لكل بوصة مربعة
- إعادة الحقن: 27 مليون قدم مكعب قياسي
- نصيحة مضيئة: 60 ملم قدم مكعب قياسي
- تصدير النفط: 3×15000 برميل يومياً
- تصريف المياه: 4 × 3500 برميل يوميا
- الطاقة: 3 × 1 ميجاوات؛ 1 × .85 ميجاوات

- حقل النعيم يتم إنتاجه من شركة Alif Clastics بمتوسط مكثفات 58-63.7° API.
- حقل ناجية يتم إنتاجه من لام كلاستيكس بمتوسط 43 درجة زيت API. يحتوي الزيت على لزوجة 0.56 سنتي وكبريت (0.6%).
- أنتج حقل حرمل النفط 13-23° API من تكوينات القشن والسار ونايفه. يحتوي الزيت على الكبريت (2.1%).

- وفي عام 2005، تم الانتهاء من إنشاء خط أنابيب بطول 28 كيلومترًا وقطر 10 بوصات، يربط مرفق الشراكة التعاونية بخط أنابيب التصدير جنة هنت، مما يسمح بنقل النفط الخام عبر حقول مأرب - الجوف إلى محطة تصدير رأس عيسى على البحر الأحمر.
بلوك العقلة (S2)
بلوك العقلة (S2)
- بلوك العقلة (S2) تقع في حوض السبعين (مأرب – شبوة) بمساحة (904) كم2. وتقع جنوب حقول عياض قطعة 4 المنتجة.

- وفي التسعينيات، بدأت شركة أوكسيدنتال أعمال التنقيب في المنطقة (S2). تم منح البلوك (S2) لشركة Preussag Energy GmbH في 21 مارسشارع 1998. في أوائل عام 2003، استحوذت شركة OMV على محفظة التنقيب والإنتاج الكاملة لشركة Preussag، وتم نقل تشغيل البلوك لاحقًا إلى OMV.
- وفي الفترة من مارس إلى يونيو 1992 خلال الفترة التي عملت فيها شركة أوكسيدنتال كمشغل، اكتشفت النفط في الخروة -1، وتدفق البئر حوالي 900 برميل من النفط يوميًا خلال مرحلة الاختبار الأولية من محطة كوهلان إف إم وعلى الأرجح أيضًا من الطابق السفلي البلوري. تم إجراء إعادة الدخول واختبار متعدد المعدلات بواسطة شركة Preussag في مارس/أبريل 2001، حيث أنتج البئر 960 برميلًا من النفط يوميًا.
- يعد بئر حبان-1 أول اكتشاف قامت به شركة OMV في المنطقة S2 في أبريل وأغسطس 2005. وأظهر التوقيت الصيفي متعدد المعدلات معدلات إنتاج تتراوح بين 352 و1403 برميل من النفط يوميًا و1632 مليون قدم مكعب من الغاز يوميًا من الطابق السفلي البلوري.

- يعد هيكل الهبان جزءًا من منطقة الطابق السفلي المركزي التي تفصل بين المناطق نصف الممتلئة. هيكل الهبان عبارة عن صدع عادي محاط بإغلاق منحدر رباعي في مستوى الطابق السفلي العلوي وفي اللام.
- في يناير 2006 تم إعلان التجارية في مجمع العقلة (S2).
- وكان أول إنتاج للنفط من المنطقة في ديسمبر 2006.
- الإنتاج في بلوك العقلة وبلغ ذروته عند 16,697 برميلًا يوميًا في نوفمبر 2010.

- الخزانات الرئيسية في البلوك:
- تشكيل لام من المواد الفتاتية/الكربونات،
- تشكيلات كوهلان الفتاتية,
- خزان الطابق السفلي مكسور.
- الأعمال الزلزالية:
- أوكسيدنتال 2D
- أو إم في/بريوساج 2D
- OMV/بريوساج 3D
- تم حفر 48 بئراً في المنطقة.
- البلوك (S2) مرافق:
- سعة CPF 30.000 برميل زيت.

- يتم إنتاج حقل حبان من الطابق السفلي المكسور بمتوسط 40 درجة من النفط API. لزوجة الزيت (@ ظروف الدقة) 0.355 سنتي.
- يقوم المشغل بنقل إنتاج النفط بالشاحنات لمسافة 140 كيلومترًا من حقل حبان إلى منشآت مأرب-الجوف (صافر)، حيث يدخل خط أنابيب تصدير مأرب الرئيسي مما يسمح بنقل النفط الخام عبر حقول مأرب-الجوف إلى محطة تصدير رأس عيسى في البحر الأحمر. في الوقت الحالي، يتم نقل النفط بالشاحنات إلى المرافق في المنطقة 4 مما يسمح بنقل النفط الخام إلى خط النفط الرئيسي لتصديره عبر محطة بئر علي (النشيمة) على خليج عدن.

مجمع شرق السر (53)
مجمع شرق السر (53)

- مجمع شرق السر (53) تقع في الجزء الأوسط من اليمن في حوض (سيئون – المسيلة) بمساحة (474) كم2. وتقع مباشرة شمال غرب حقول المسيلة المنتجة قطعة 14، وشمال غرب حقول شرق شبوة قطعة 10.
- تم منح المنطقة لشركة دوف للطاقة في يناير 1998. وفي فبراير 2015، صدر قرار وزاري لتأسيس شركة وطنية مملوكة للدولة بتروسار لتشغيل المنطقة 53.
- قامت شركة دوف للطاقة بحفر البئر الثاني، شاريوف 1، في يونيو 2000. وتم اكتشاف النفط في خزان قشن S1A. ويتدفق النفط بدرجة حرارة 30° API بمعدل 4,850 برميل في اليوم. قام المشغل بحفر شاريووف-2 في نوفمبر 2000.
- في عام 2006، قامت شركة Dove Energy بحفر Bayoot SW-1 مستهدفة خزانات الطابق السفلي وواجهت عروض النفط. تم حفر البئر العمودي في الطابق السفلي، ولكنه اخترق أيضًا الكربونات المحتملة على فترات أعلى. نتائج البئر التالي Bayoot SW-2. وأنتج اختبار البئر 1000 برميل من النفط يومياً. تم حفر منطقة بايوت جنوب 1 جنوب بيوت SW-1 وSW-2 لاختبار تكوين المظبي، وتم تدفق النفط بنجاح.
- قدم راوق-1، الذي تم إطلاقه في أكتوبر 2008، في البداية مؤشرات قوية على وجود الهيدروكربونات في الطابق السفلي. ومع ذلك، لم يتدفق النفط بحرية عند الاختبار في عام 2009.

- عادةً ما تكون الهياكل الميدانية في البلوك عبارة عن إغلاقات انحدارية معطوبة، مرتبطة بصدوع عادية ممتدة مميزة لأحواض الصدع. أنواع المصائد الأساسية عبارة عن بلوكات صدع مائلة مغطاة برمال الخزان الجوراسي العلوي. تطورت العديد من المصائد في العصر الجوراسي الأوسط والمتأخر نتيجة للإمالة والامتداد نحو الشرق. أنتج هذا سلسلة من بلوكات الصدع المائلة ونصف الإمساك.
- تم إعلان منطقة شرق سار تجاريًا في يوليو 2000.

- وكان أول إنتاج للنفط من القطاع (حقل شاريوف) في ديسمبر 2001. وفي سبتمبر 2006، بدأ الإنتاج من حقل بيوت.
- الإنتاج في بلوك شرق سار بلغ ذروته عند 22.500 برميل يوميًا في عام 2002. وتم الحفاظ على مستوى يبلغ حوالي 18.000 برميل يوميًا بين عامي 2003 و2005 قبل أن يبدأ الإنتاج في الانخفاض.
- تحتوي البلوك على 3 حقول نفط.
- ال الخزانات الرئيسية في البلوك:
- قشن تشكيل الرمال / الحجر الرملي،
- مادبي تكوين كربونات،
- الطابق السفلي المكسور خزان.
- الأعمال الزلزالية الرئيسية:
- حمامة الطاقة 2D
- حمامة الطاقة 3D
- تم حفر 54 بئراً في المنطقة.
- أنتج شاروف زيت 30° API من رمال قشن العليا S1A. أنتجت شركة Bayoot زيت 38° API من خزانات الطابق السفلي.
- بلوك (53) مرافق:
- معمل المعالجة المركزية في شاريوف (CPF) الواقع إلى الغرب من الحقل. تم بناء محطة توليد الكهرباء المركزية في عام 2001 ويمكنها معالجة 25 ألف برميل يوميًا من النفط الخام و15 مليون قدم مكعب من الغاز يوميًا وما يصل إلى 220 ألف برميل يوميًا من المياه.
- وحدة المعالجة المركزية بايوت (B-CPU)

- تم إنشاء خط أنابيب بطول 67 كيلومترًا وقطر 10 بوصة وبطاقة استيعابية تبلغ 35 ألف برميل يوميًا لنقل النفط الخام من حقل شاريوف المركزي إلى منشآت إنتاج المسيلة، مما يسمح بنقل النفط الخام من شرق سار الحقول إلى خط النفط الرئيسي في المسيلة للتصدير عبر محطة الشحر على خليج عدن.
- في فبراير 2009، تم الانتهاء من مد خط أنابيب بايوت-شاريوف بطول 10 كيلومترات لربط مرافق إنتاج بايوت الجديدة بمنطقة شاريوف.

شرق الحجر قطعة (51)
شرق الحجر قطعة (51)

- شرق الحجر قطعة (14) تقع في الجزء الأوسط من اليمن في حوض (سيئون – المسيلة) بمساحة (2,042) كم2. وتقع مباشرة غرب حقول المسيلة المنتجة قطعة 14، وشمال حقول شرق شبوة قطعة 10.
- تم منح البلوك لشركة Kerr-McGee في 3 أبريل 1997. وفي أبريل 1998، قامت شركة Nexen (شركة أوكسيدنتال الكندية سابقًا) بزراعة المنطقة. وفي عام 2001، قررت شركة Kerr-McGee عدم الدخول في فترة الاستكشاف الثانية وعادت مصلحة الشركة إلى شركة Nexen التي أصبحت المشغل. أصبحت شركة المسيلة لاستكشاف وإنتاج النفط (بترومسيلة) المملوكة للدولة في يونيو 2015، المشغل الوطني للمنطقة 51.
- قامت شركة Nexen بحفر آبار استكشاف "تموم-1" (أعيدت تسميتها فيما بعد ببشير الخير أ "باك أ-1") وأمير-1 (أعيدت تسميتها فيما بعد ببشير الخير ب "باك ب-1") في عام 2003. وقد قام كلا البئرين باختبار النفط في قشن و آفاق سار.
- تم حفر أربعة عمليات استكشاف، ثلاثة منها لم تكن ناجحة وواحد، وهو بئر بشير الخير-K1 الذي تم حفره في عام 2005 باعتباره اكتشافًا في أوائل عام 2006. واختبر بئر بشير الخير-K1 متوسط 908 برميل يوميًا من المكثفات و27 مليون قدم مكعب يوميًا من النفط. غاز.
- تم إنتاج أول نفط من حقل باك-أ في نوفمبر 2004. وقد تم إنتاج الحقل في البداية بطاقة 4000 برميل في اليوم. تم إنتاج BAK-B في نهاية عام 2005.

- شرق الحجر تم إعلان البلوك تجاريًا في ديسمبر 2003.
- أسلوب الاصطياد في شرق الحجر بلوك 51 للقشن السفلي 2 عبارة عن مزيج من الإغلاق الطبقي والإغلاق الرباعي أو الإغلاق الثلاثي الاتجاه مع وجود خطأ مانع للتسرب.
- إن الاصطياد في خزانات سار العليا A وB وC وD هو في المقام الأول إغلاق ثلاثي الاتجاه مع صدع مانع للتسرب وإغلاق هيكلي رباعي الاتجاه مستقل عن الصدع ملفوف فوق ارتفاعات الطابق السفلي.
- الإنتاج في بلوك شرق الحجر وبلغ ذروته عند 25.562 برميل يوميا في نهاية عام 2005.
- ال الخزانات الرئيسية في البلوك:
- قشن تشكيل الحجر الرملي،
- سار تكوين الكربونات والأحجار الرملية،
- مادبي تكوين كربونات & مادبي معجب،
- الطابق السفلي المكسور خزان.

- العمل الزلزالي الرئيسي:
- كير ماكجي 2D
- الكندي أوكسي/نيكسين 3D
- تم حفر 115 بئراً في المنطقة.
- بلوك (51) مرافق:
- مرفق الإنتاج المركزي (CPF) بسعة 35000 برميل من النفط يومياً؛
- محطة توليد الكهرباء المركزية (CPP).

- أنتجت شركة بشير الخير أ (باك "أ") زيت API بدرجة حرارة 34 درجة من رمال قشن العليا S2. أنتجت شركة بشير الخير ب (باك "B") زيت 26 درجة API من قشن العلوي S1A وS1C، و32 درجة API من رمال قشن السفلى LQ2.
- يحتوي الزيت الناتج من جميع التكوينات المنتجة على نسبة منخفضة من الكبريت والمعادن والأحماض.
- تم الانتهاء من إنشاء خط أنابيب نفط بطول 16 بوصة وطول 22 كيلومترًا مما يسمح بنقل النفط الخام من شرق الحجر الحقول إلى خط النفط الرئيسي في المسيلة للتصدير عبر محطة الشحر على خليج عدن.

جنوب هواريم بلوك (43)
جنوب هواريم بلوك (43)
- جنوب هواريم بلوك (43) تقع في الجزء الأوسط من اليمن في حوض (سيئون – المسيلة) بمساحة (2,026) كم2. وتقع مباشرة غرب حقول المسيلة المنتجة رقم 14.

- مُنحت المنطقة لشركة First Calgary / Ocean Energy في 25 يوليو 1998. وفي سبتمبر 2001، قامت شركة DNO النرويجية بالزراعة في المنطقة للمرحلة الثانية من الاستكشاف وأصبحت مشغل المنطقة.

- وفي نهاية مارس 2004، اكتشفت شركة DNO النفط في بئر النبراجة-1. تم اختبار البئر وتدفق النفط من حجر قشن الرملي S1 وS2 من فترات تتراوح بين 1,769 - 1,781 متر، والتي تدفقت 25.3 درجة API بمعدل ثابت قدره 1,973 برميل في اليوم، و2.4 مليون قدم مكعب في اليوم من الغاز. وكانت نسبة الغاز إلى الزيت 1,226 قدم مكعب/برميل.
- وتدفق بئر النبراجة-2 بمعدل 1427 برميلاً في اليوم من مسافة تتراوح بين 1933-1935 متراً. كما تم العثور على الهيدروكربونات داخل الطابق السفلي. تم إجراء اختبار جذع الحفر بين 2,376 و2,545 مترًا بمعدل ثابت قدره 15.2 مليون قدم مكعب يوميًا من الغاز و313 برميلًا يوميًا من المكثفات (62.6 درجة API).
- وفي مارس وأبريل 2005، اكتشف حقل نبراجة 5 النفط في تكوينات السرداب ونايفه. أثناء الاختبار، تم تدفق النفط من البئر 38° API بمعدل 5,800 برميل يومياً و4.162 ملم قدم مكعب يومياً من الطابق السفلي و40.9° API بمعدل 4,180 برميل يومياً و3.039 ملم قدم مكعب يومياً من تكوين نايفة. تدفقت كميات كبيرة من الغاز في كلا الخزانين.
- تم الإعلان عن منطقة South Howarime Block تجاريًا في أبريل 2005.

- وفي 5 يوليو 2005، بدأ حقل النبرجة الإنتاج بمعدل 5000 برميل يومياً، وكلها مصدرها الحجر الرملي في قشن.
- الإنتاج في بلوك هواريمي وبلغ ذروته عند 9,060 برميلًا يوميًا في عام 2006.
- تحتوي القطعة على حقل نفط واحد.
- ال الخزانات الرئيسية في البلوك:
- قشن تشكيل الرمال / الحجر الرملي،
- نايفة تكوين كربونات،
- الطابق السفلي المكسور الخزانات.
- العمل الزلزالي الرئيسي:
- طاقة المحيطات 2D
- دي إن أو 2D
- دي إن أو 3D
- تم حفر 38 بئراً في المنطقة.
- بلوك (43) مرافق:
- منشأة قشن للإنتاج المركزي (QCPF)، بطاقة إنتاجية تبلغ 50 ألف برميل من النفط يوميًا، و3.5 مليون قدم مكعب يوميًا من الغاز.
- منشأة الإنتاج المركزي في الطابق السفلي (BCPF)، بطاقة 25.000 برميل من النفط يومياً، و60 مليون قدم مكعب/يومياً من الغاز.

- أنتج حقل النبراجة النفط بدرجة حرارة تتراوح بين 28 و39 درجة API من مكمن رمل/حجر رملي في قشن العلوي. أنتج حقل النبراجة زيت 41° API من تكوين كربونات نايفة. أنتج حقل النبراجة النفط بدرجة حرارة 38-62.6° API من خزان الطابق السفلي
- تم الانتهاء من إنشاء خط أنابيب للنفط بطول 8 بوصات و22 كيلومترًا وسعة 17500 برميل يوميًا، مما يسمح بنقل النفط الخام من جنوب هواريمي الحقول إلى خط النفط الرئيسي في المسيلة للتصدير عبر محطة الشحر على خليج عدن.

هواريم بلوك (32)
هواريم بلوك (32)

- هواريم بلوك (32) تقع في الجزء الأوسط من اليمن في حوض (سيئون – المسيلة) بمساحة (592) كم2. وتقع مباشرة شمال حقول المسيلة المنتجة قطعة 14، وغرب حقول شرق السار قطعة 53.
- مُنحت المنطقة لشركة كلايد بتروليوم (المعروفة الآن باسم جلف كندا ريسورسز المحدودة) في 24 مارس 1992. بعد الاكتشاف الأول في عام 1998، باعت كلايد حصتها في المنطقة إلى شركة دي إن أو النرويجية التي أصبحت مشغل المنطقة.

- في يونيو 1997، قام المشغل بحفر بئر تصور-1 واكتشف النفط في فتاتات قشن، وتدفق البئر بمعدل 4,869 برميل في اليوم من خام API 29°. وفي عام 1999، أجرى البئر التقييمي تصور 3 اختبارًا لـ 2100 برميل يوميًا من النفط من خزان قشن الرملي.
- وفي أوائل عام 2006، تم اكتشاف حقل جوداه. قام جوداه-1 باختبار 1839 برميلًا في اليوم من النفط بدرجة حرارة 22 درجة API مع 4.4 مليون قدم مكعب من الغاز يوميًا من تكوين قشن.
- وفي أكتوبر 2013 تم اكتشاف حقل سلسالة. اختبر "سلسلا-1" الفترة الفاصلة 3,599 - 3,631 متر مع معدل تدفق أقصى يبلغ 3,400 برميل في اليوم من 36-37 درجة API من النفط من تكوين شقرة الدولوميت و16 برميل في اليوم من الفترة (3,776 م - 3,785 م MD) في تكوين كوهلان.
- ال هواريمي تم إعلان البلوك تجاريًا في 18 ديسمبر 1999.
- بدأ حقل تصور الإنتاج من البئر تصور-1 في 3بحث وتطوير نوفمبر 2000.
- تم إدخال حقل جوده إلى الإنتاج في أكتوبر 2006.
- يشتمل حقل تاسور على إغلاق محابي ممدود من الشرق إلى الغرب ويحده صدع صدع إقليمي (متجه من الشرق إلى الغرب) على الحافة الجنوبية. كان من المعتقد في الأصل أن الحقل مقسم إلى جزأين بسبب خطأ موجه شمال غرب-جنوب شرق، ولكن إعادة مسح ارتفاعات البئر أظهرت أن الحقل يشتمل على تجمع واحد مستمر.

- الإنتاج في بلوك هواريمي وبلغ ذروته عند 17.810 برميل يوميا في عام 2004.
- تحتوي البلوك على 3 حقول نفط.
- ال الخزانات الرئيسية في البلوك:
- قشن تشكيل الحجر الرملي،
- شقرا تكوين كربونات،
- كوهلان تشكيل الحجر الرملي،
- الطابق السفلي المكسور خزان.

- العمل الزلزالي الرئيسي:
- كلايد بتروليوم 2D
- دي إن أو 2D
- دي إن أو 3D
- تم حفر 54 بئراً في المنطقة.
- بلوك (32) مرافق:
- تبلغ قدرة منشأة المعالجة المركزية (CPF) 199.500 برميل من النفط/الماء يوميًا.
- تبلغ طاقة منشأة معالجة جودة (GPF) 10.000 برميل من النفط/المياه يوميًا، و10 ملايين قدم مكعب/يوم من الغاز.
- وترتبط منشأة المعالجة المركزية (CPF) عن طريق خطوط التدفق بآبار إنتاج تسور. وتشمل عملية القطارات لتلبية احتياجات نقل الخام وتشمل:
- مرافق الجفاف
- تخزين النفط
- خزان المياه المقشود
- توليد الطاقة
- مرافق المعيشة والتخزين

- أنتج حقل تسور زيت API بدرجة حرارة تتراوح بين 25 و29 درجة من المكمن الرملي في قشن العلوي S1A. أنتج حقل جودة النفط 22° API من تكوين قشن. أنتج حقل صلصلة زيت API بدرجة حرارة 36-37° من تكوين شقرة
- في عام 2000، تم الانتهاء من إنشاء خط أنابيب نفط بطول 8 بوصات و59.7 كيلومترًا وبطاقة 25 ألف برميل يوميًا، مما يسمح بنقل النفط الخام من هواريمي الحقول إلى خط النفط الرئيسي في المسيلة للتصدير عبر محطة الشحر على خليج عدن.
- وفي نهاية عام 2006، تم الانتهاء من إنشاء خط أنابيب بطول 10 بوصات وطول 23 كيلومتراً من جوده إلى تاصور، مما يسمح بنقل خام جوده إلى منشآت المعالجة ومعالجة المياه في تاصور، حيث تتم معالجته وإضافته إلى إنتاج تاصور.
- تم الانتهاء من إنشاء خط أنابيب من جوده إلى تاسور CPF في أوائل عام 2008، لنقل الغاز من حقل الجودة لتوليد الطاقة.

قطعة المسيلة (14)
قطعة المسيلة (14)

- قطعة المسيلة (14) تقع في الجزء الأوسط من اليمن في حوض (سيئون – المسيلة) بمساحة (1,275) كم2.
- تمت منح المنطقة لشركة أوكسي الكندية في ديسمبر 1987. وبعد انتهاء اتفاقية مشاركة الإنتاج الخاصة بهذا القطاع مع المشغل الكندي السابق، شركة المسيلة لاستكشاف وإنتاج النفط المملوكة للدولة (بترومسيلة) في 18 ديسمبر 2011، أصبحت المشغل الوطني للمنطقة 14.
- ال بلوك المسيلة هي واحدة من أكبر ثلاث مناطق منتجة للنفط في اليمن، إلى جانب بلوكات مأرب-الجوف وشرق شبوة.
- تم الإعلان عن منطقة المسيلة تجارياً في ديسمبر 1991 وبدأ المشغل خطة التطوير من أجل جلب حقول السنة وهيجا وكمال إلى الإنتاج بحلول عام 1993.
- منذ عام 1991، تم اكتشاف ثمانية عشر حقلاً نفطيًا تجاريًا وبدء الإنتاج منها، أكبرها حقول كمال وطويلة وسونة.

- زيت تم اكتشافه في البلوك (14)، مع أكثر من 80% قادمة من تكوين قشن الطباشيري. يتم إنتاج حوالي 15% من إنتاج النفط في المسيلة من الطابق السفلي المكسور، ويتم إنتاج معظمها في الشمال الغربي من المنطقة داخل حقول السنةة وما حولها.
- وترتبط معظم الاكتشافات بالمرتفعات داخل الحوض، وخاصة مرتفع المسيلة، وقد تمت معظمها بين عامي 1991 و1995.
- وبحلول الفترة 2001-2002، كانت برامج العمل تركز على تحقيق الإنتاج من الآفاق الثانوية في منطقة المسيلة باستخدام تقنيات الغمر المائي في خزانات سار العليا.
- تحتوي المنطقة على 18 حقلاً نفطياً.
- بلغ الإنتاج في منطقة المسيلة ذروته عند 233 ألف برميل يوميا في عام 2003.
- ال الخزانات الرئيسية في البلوك:
- قشن تشكيل الحجر الرملي،
- سار تكوين الكربونات والأحجار الرملية،
- مادبي تشكيل الحجر الجيري،
- كوهلان تشكيل الحجر الرملي،
- الطابق السفلي المكسور خزان.
- العمل الزلزالي الرئيسي:
- الكندي أوكسي/نيكسن 2D
- الكندي أوكسي/نيكسين 3D
- بترومسيلة 3D
- تم حفر 656 بئراً في المنطقة.

- بلوك (14) مرافق:
- مرفق المعالجة المركزية (CPF)، بقدرة 260 ألف برميل من النفط يوميًا، و650 ألف برميل من المياه يوميًا؛
- قدرة محطة الطاقة المركزية (CPP) 61 ميجاوات؛
- محطة تغطية الديزل لتوفير الديزل للعمليات بطاقة 7000 برميل يوميا.
- خط أنابيب تصدير بطول 137 كيلومترًا (24 بوصة) لنقل النفط الخام من مرفق الشراكة التعاوني إلى محطة تصدير الشحر.

- وتتمتع الزيوت الموجودة في حقول القطعة (14) بجاذبية (28° - 32° API) بالنسبة للخزانات الرئيسية، والنفط الخفيف في صخور القاعدة بـ (41° API).
- في عام 1993، تم الانتهاء من إنشاء خط أنابيب (بطول 138 كم وقطر 24 بوصة وسعة قصوى تبلغ 325.000 برميل في اليوم) يسمح بنقل النفط الخام من حقول المسيلة إلى محطة تصدير الشحر (الحد الأقصى للتخزين 3.500.000 برميل) على خليج عمان. عدن.
- تم تصدير أول شحنة من النفط الخام من منطقة المسيلة من محطة الشحر في 5 أغسطس 1993.
- كما تم استخدام خط أنابيب المسيلة الرئيسي إلى الشحر من قبل البلوكات المجاورة (10 و32 و43 و51 و53) لنقل النفط الخام من مناطق المسيلة إلى محطة تصدير الشحر.
قطع شرق شبوة (10)
قطع شرق شبوة (10)

- قطعة شرق شبوة (10) تقع في الجزء الأوسط من اليمن في حوض (سيئون – المسيلة) بمساحة (953) كم2.
- تم منح المنطقة لشركة توتال في أكتوبر 1987. وأصبحت شركة المسيلة لاستكشاف وإنتاج النفط (بترومسيلة) المملوكة للدولة في ديسمبر 2015، المشغل الوطني للمنطقة 10.
- ال بلوك شرق شبوة هي واحدة من أكبر ثلاث مناطق منتجة للنفط في اليمن، إلى جانب بلوكات مأرب-الجوف والمسيلة.
- ال شرق شبوة تم إعلان المنطقة تجاريًا في ديسمبر 1995 وبدأ المشغل خطة التطوير من أجل جلب حقول الخرير وعاطوف ووادي طريبة إلى الإنتاج بحلول عام 1997-1998.
- منذ عام 1992، تم اكتشاف أربعة حقول نفطية تجارية وبدء الإنتاج منها، ويعد حقل الخرير أكبرها.
- اكتشاف حقل الخرير عام 1992، تم اكتشاف أول بئر تجاري في المنطقة، الخير-1، في عام 1992 وتدفق 5000 برميل في اليوم من النفط. وأعقب ذلك حفر بئرين تقييميين ناجحين، خير-2 وخرير-3، وكلاهما في عام 1993.
- اكتشاف حقل عاطوف الشمالي الغربي عام 1993، في مايو 1993، قام بئر عاطوف شمال غرب -1 باختبار 4867 برميلًا في اليوم من خام API بدرجة 34 درجة.
- اكتشاف حقل وادي طريبة 1995، في أغسطس 1995، قامت شركة توتال بحفر بئر وادي طريبة-1 الذي تدفق بمعدل 1,459 برميل في اليوم من خام API بدرجة 36 درجة.
- اكتشاف حقل الجثمة 2006، في أواخر عام 2005، تم اختبار النفط في بئر الجثما-1 بأكثر من 1900 برميل في اليوم.
- الإنتاج من شرق شبوة بدأ الحظر في 18 ديسمبر 1997 من حقل الخرير. أما الاكتشافان الآخران – عطوف ووادي طريبة – فقد تم إدخالهما إلى الإنتاج في عام 1998.

- زيت تم اكتشافه في المربع (10)، مع أكثر من 90% قادمة من تكوين قشن الطباشيري وخزانات الطابق السفلي المكسورة.
- بدأ الإنتاج الأول من بدروم حقل الخرير في يوليو 2003.
- بلغ الإنتاج في منطقة شرق شبوة ذروته عند 74 ألف برميل يوميا في عام 2011.
- تحتوي البلوك على 4 حقول نفط.
- ال الخزانات الرئيسية في البلوك:
- قشن تشكيل الحجر الرملي،
- سار تكوين الكربونات والأحجار الرملية،
- الطابق السفلي المكسور خزان.
- العمل الزلزالي الرئيسي:
- مجموع 2D
- مجموع 3D
- تم حفر 161 بئراً في المنطقة.


- بلوك (10) مرافق:
- وحدة المعالجة المركزية (CPU)، القدرة الإنتاجية 30 ألف برميل نفط يومياً، 60 ألف برميل ماء يومياً، 12 مليون قدم مكعب/يومياً من الغاز؛
- وحدة معالجة الطابق السفلي (BPU)، بطاقة 30 ألف برميل من النفط يوميًا، و6000 برميل من المياه يوميًا، و7.5 مليون قدم مكعب يوميًا من الغاز؛
- وحدة الضغط المركزي (CCU) لاستخدام الغاز المصاحب لتوليد الطاقة؛
- محطة كهرباء الخرير بقدرة 40 ميجاوات.


- النفط في حقول القطاع (10) ذو جاذبية (28°-36° API) بالنسبة لمكامن القشن الرئيسية، والنفط الخفيف في صخور القاعدة ذو جاذبية (41° API).

- وترتبط الحقول بخط أنابيب تصدير النفط الخام الرئيسي في المنطقة 14 عبر خط أنابيب بطول 46 كم و10 بوصات بطاقة 45 ألف برميل في اليوم، مما يسمح بنقل النفط الخام إلى محطة تصدير الشحر على خليج عدن.
- في نوفمبر 2009، بدأت توريد الغاز لمحطة توليد الطاقة بالغاز في المنطقة 10.

مالك بلوك (9)
مالك بلوك (9)

- مالك بلوك (9) تقع في الجزء الأوسط من اليمن على الحافة الغربية لحوض (سيئون – المسيلة) بمساحة (2,227) كم2. وتقع مباشرة غرب حقول المسيلة المنتجة رقم 14.
- مُنحت المنطقة لشركة كالفالي بتروليوم في 3 أبريل 1997.
- وفي نهاية عام 1995، قامت شركة الغاز البريطانية بحفر بئر الحسوة-1، وكان النفط يتدفق من البئر بمعدل 163 برميلاً في اليوم من شركة سار/نايفة للكربونات.
- بئر الحسوة-2 هو أول اكتشاف قامت به شركة كالفالي في المنطقة رقم 9 في يونيو 2002. ويتدفق خزان الحجر الجيري بين 1,152 – 1,239 مترًا من النفط بمعدل 500 برميل يوميًا من كربونات سار/نايفة.
- وفي يوليو 2002، اكتشف العقبان 1 النفط في تكوين شقرة. أثناء الاختبار، تدفق النفط في البئر 35.9° API بمعدل 414 برميل في اليوم و0.065 ملم قدم مكعب في اليوم.
- في سبتمبر 2006، واجه رأس نومة-1 عمودًا نفطيًا بطول 35 مترًا وعمودًا نفطيًا بطول 10 أمتار في تكوينات قشن وسار على التوالي.
- واختبر حقل قرن القيمه-1 9.71 مليون قدم مكعب يوميًا من الغاز و650 برميلًا يوميًا من المكثفات في رمال كوهلان والطابق السفلي المكسور.

- تم الإعلان عن مشروع مالك بلوك تجاريًا في 28 أغسطسذ 2005.
- في 13 ديسمبرذ وفي عام 2005، بدأ حقل الحسوة الإنتاج بمعدل 2000 برميل يومياً.
- وفي يناير 2010، بدأ حقل الرويضات الإنتاج.
- وفي يوليو 2011، بدأ إنتاج حقل الراس – الناعمة.
- تحتوي البلوك على 4 حقول نفط.
- الإنتاج في مالك بلوك وبلغ ذروته عند 5397 برميلًا يوميًا في يناير 2007.
- ال الخزانات الرئيسية في البلوك:
- قشن تشكيل الرمال / الحجر الرملي،
- سار/نايفة تكوين الكربونات،
- شقرا تكوين الكربونات،
- الطابق السفلي المكسور الخزانات.

- الأعمال الزلزالية الرئيسية:
- الغاز البريطاني 2D
- كالفالي 2D
- كالفالي 3D
- تم حفر 81 بئراً في المنطقة.
- بلوك (9) مرافق:
- منشأة المعالجة المركزية (CPF) بسعة 25,000 برميل في اليوم.
- معمل المعالجة في رأس نومة بطاقة 4,200 برميل يومياً.
- نظام حقن الماء بطاقة 11.700 برميل/اليوم.
- منشأة حقن الغاز CPF بسعة 2.0 مليون قدم مكعب/اليوم.

- أنتج حقل الحسوة زيت API بدرجة حرارة 35-36° من كربونات السار/نايفة. يحتوي الزيت المنتج على نسبة منخفضة من الكبريت (0.4%).
- أنتج حقل العقبان زيت 35.9° API من كربونات شقرة. يحتوي الزيت المنتج على نسبة منخفضة من الكبريت (0.5%).
- أنتج حقل الرويضات زيت API بدرجة حرارة 15-17 درجة من مكمن قشن كلاستيكس.
- أنتج حقل رأس نومة النفط بدرجة حرارة 29° API من مكمن قشن كلاستيكس.
- تم اختبار مكثف قرن القيمه-1 بجاذبية تتراوح بين 45 إلى 54 درجة API في رمال الكحلان والطابق السفلي المكسور.
- في السابق، كان يتم نقل النفط الخام بالشاحنات إلى منشآت الاستلام في منطقة مأرب-الجوف رقم 18، والتي تديرها شركة صافر للاستكشافات البترولية وترتبط بمحطة رأس عيسى البحرية على ساحل البحر الأحمر. وفي وقت لاحق، تم نقل النفط بالشاحنات من حقول مالك إلى المرافق في المنطقة 51 مما أتاح دخول النفط الخام المنتج إلى نظام المسيلة مما يسمح بنقل النفط الخام إلى خط النفط الرئيسي لتصديره عبر محطة الشحر على بحر العرب. في الوقت الحالي، يتم نقل النفط بالشاحنات إلى المرافق في المنطقة 4 مما يسمح بنقل النفط الخام إلى خط النفط الرئيسي لتصديره عبر محطة بئر علي (النشيمة) على خليج عدن.

بلوك الجنة (5)
بلوك الجنة (5)

- بلوك الجنة (5) تقع في حوض السبعتين (مأرب – شبوة) بمساحة (280) كم2.
- ال جنة تم منح المنطقة لشركة توتال في يناير 1989 لتكون المشغل خلال مراحل الاستكشاف، في حين قامت شركة جنة هانت للنفط وشركة YICOM (الشركة اليمنية للاستثمار في النفط والمعادن) بتشغيل مرحلة التطوير.
- وتألف النشاط الاستكشافي الذي استمر لمدة خمس سنوات في بلوك الجنة من إجمالي 2495 كيلومترًا من المسح الزلزالي وحفر سبعة آبار استكشافية خلال هذه المرحلة.
- تم الإعلان عن اكتشاف البئر الأول، جنة-1، في يناير 1992. وتم اختبار كل من الغاز والمكثفات بمعدلات 12 مليون قدم مكعب في اليوم و600 برميل في اليوم على التوالي. كما أثبت البئر وجود كميات كبيرة من الغاز المصاحب.
- وفي أغسطس 1992، تم الإعلان عن اكتشاف حقل نفطي كبير مثبت به بئري حلاوة-1 و-2. تم اختبار النفط بمعدلات 4,250 برميل في اليوم و5,885 برميل في اليوم على التوالي، وتم اكتشاف حقلين تجاريين آخرين في المنطقة، وهما حقل دهب (1993) والنصر (1995). حقل عصر الذي اكتشف عام 1996.
- تم إعلان البلوك تجاريًا في أكتوبر 1995.

- 100% من النفط والمتكثفات التي تم اكتشافها في القطاع (5) قادمة من تكوين اليف الجوراسي. استمر التنقيب عن النفط مع اقتراح اكتشاف HC من الطابق السفلي المكسور والتكوينات الثانوية الأخرى.
- تحتوي المنطقة على 5 حقول نفط ومكثفات.
- الإنتاج في جنة بلوك وبلغت ذروتها عند 65,262 برميلًا يوميًا في عام 2001.
- ال الخزانات الرئيسية في البلوك:
- أليف تشكيل الرمال / الحجر الرملي،
- مرئي تشكيل الرمال,
- الطابق السفلي المكسور خزان.

- العمل الزلزالي الرئيسي:
- توتال/جنة هانت أويل 2D
- تم حفر 85 بئراً في المنطقة.
- تشمل مرافق المبنى 5 ما يلي:
- مرفق المعالجة المركزية للحلاوة.
- منشأة النصر .
- تبلغ قدرة محطة دهب (KPP) 40 ميجاوات.

- ترتبط المنطقة بخط الأنابيب الرئيسي للمنطقة 18 (مأرب) بطول 40 كم وقطر 12 بوصة من خط الأنابيب مما يسمح بنقل النفط الخام عبر حقول مأرب – الجوف إلى محطة تصدير رأس عيسى على البحر الأحمر.
بلوك عياض (4)
بلوك عياض (4)

- بلوك عياض (4) تقع في حوض السبعتين (مأرب – شبوة) بمساحة (1,998) كم2. وتقع جنوب حقول العقلة S2 المنتجة وغرب حقول داميس بلوك S1 المنتجة.
- وفي الثمانينات، بدأت شركة تكنوإكسبورت الروسية عمليات التنقيب على طول 35.400 كيلومتر.2 امتياز غرب شبوة واكتشفت عدة حقول. تمت ترسية المنطقة (4) على شركة نمير للبترول في 17 أكتوبرذ 1991. في 7 أبريلذ وفي عام 2008، تم منح المنطقة لشركة النفط الوطنية الكورية (KNOC)، بالشراكة مع شركة YICOM. حاليًا، يتم تشغيل المنطقة من قبل شركة YICOM المملوكة للدولة (الشركة اليمنية للاستثمار في النفط والمعادن)، ويبلغ عدد المساهمين في YICOM (100%).
- في أبريل 1987، أعلنت شركة تكنوإكسبورت عن اكتشاف ثلاثة حقول نفط تجارية في منطقة إياد. وهذه الحقول هي أمل، وإياد شرقي، وإياد غربي.
- بئر عياض شرق-1 هو أول اكتشاف قامت به شركة تكنوإكسبورت في المنطقة 4 في يناير 1987. كان الخزان يتدفق النفط/المكثفات والغاز من تكوينات نايفه ومظبي وشقرة وكوهلان (أفضل اختبار لبئر نايفه هو 189 برميل نفط في اليوم و3.5 ملم قدم مكعب في اليوم، شقرة تم اختبار 10.7 ملم قدم مكعب في اليوم مع 96 برميلًا يوميًا، وتذوق كوهلان 246 برميلًا يوميًا).
- وفي إبريل 1987 اكتشف إياد غرب-1 النفط. يتدفق النفط من المكمن من كربونات شقرة والسباتين ونيفة (تدفق السباتين 2,296 برميل من النفط يوميًا في البئر #7).
- في مايو 1987، اكتشف أمل-1 النفط في تكوينات السبعاتين والمظبي وشقرة (تم اختبار مدبى بمعدلات نفط تتراوح بين 280 إلى 400 برميل في اليوم).

- في أبريل 1987 م بلوك عياض تجاري معلن.
- أول إنتاج للنفط من البلوك كان في عام 1987.
- الإنتاج في بلوك عياض بلغ ذروته عند 9,775 برميل يوميًا في نوفمبر 1992 بواسطة نمير (8,500 برميل يوميًا في أكتوبر 1989 بواسطة تكنوإكسبورت).
- الخزانات الرئيسية في البلوك:
- تشكيل النايفة للصخور الكربونية،
- تكوين السبعتين الصخور الكربونية
- تكوين المظبي العلوي / اللام الحجر الجيري
- شقراء اف ام. الدولوميت والحجر الجيري,
- تشكيلات كوهلان الفتاتية,
- خزان الطابق السفلي مكسور.

- تحتوي البلوك على 3 حقول.
- الأعمال الزلزالية:
- تكنو اكسبورت 2D
- نمير (شخصية غير قابلة للعب) 2D
- نوسيل 2D
- نوسيل 3D
- تم حفر 94 بئراً في المنطقة.

- بلوك (4) مرافق:
- 2 فواصل NATCO بسعة 10000 برميل. فاصل آخر بسعة 10.000 برميل احتياطيًا.
- 3 خزانات نفط بسعة إجمالية 18.000 برميل.
- وحدة الحقن الكيميائي.
- مضختان شحن مرتبطتان بـ MOPS عبر خط أنابيب بطول 19 كم.
- المحطة – 5 خزانات نفط (120.000 × 5 = 600.000 برميل). خط أنابيب النفط البحري بطول 3.5 كيلومتر.

- تتميز الزيوت الموجودة في حقول القطاع (4) بجاذبية (35°-50° API)، ولزوجة أقل من 1 سنتي في ظروف المكمن.
- يتم إنتاج حقل إياد الغربي من كربونات شقراء والسباتين ونايفه بمتوسط 35 درجة API. يحتوي الزيت على الكبريت (0.6%).
- أنتج حقل إياد الشرقي ما يصل إلى 50° API من النفط/المكثفات من كربونات شقرة.
- في عام 1989، تم الانتهاء من إنشاء خط أنابيب (بطول 204 كم وقطر 20 بوصة وسعة قصوى تبلغ 140 ألف برميل في اليوم) يسمح بنقل الخام من حقول إياد إلى تصدير بير علي / رضوم (النشيمة).
المحطة) (الحد الأقصى للتخزين 630 ألف برميل) على الساحل بمحافظة شبوة.